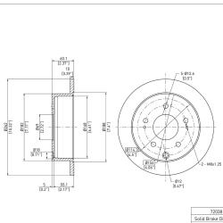
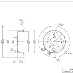
Автозапчасти » MITSUBISHI » 2006 » ECLIPSE » 2.4L L4 » Детали ступицы и тормозные компоненты » Диск тормозной