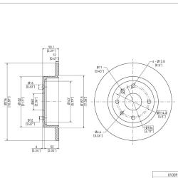
Автозапчасти » CHEVROLET » 2005 » EPICA » 2.5L L6 » Детали ступицы и тормозные компоненты » Диск тормозной