Автозапчасти » BMW » 2000 » 328I » 2.8L L6 » Детали ступицы и тормозные компоненты » Диск тормозной

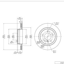
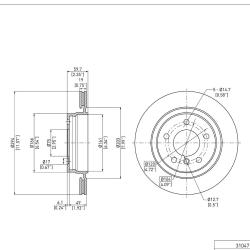
JURID 562188JC
Rotor
Front; 5 Stud Wheel; with 325mm Diameter Rotor