AFE 5910095

3 120 ₽ - минимальная цена
GTUN
Срок поставки: 15 (30) дня
3 120 ₽

15 день - быстрая доставка
GTUN
Срок поставки: 15 (30) дня
3 120 ₽
ПроизводительAFE
Оригинальный Номер5910095
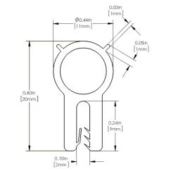
Описание